苏州锦诺克机械设备有限公司
专业品质 优良材质
/
专业漩涡气泵、高压风机生产厂家
全国服务热线:
15895633386
18915731796
首页
Home
关于我们
Nav
产品中心
Nav
新闻资讯
Nav
下载中心
Nav
联系我们
Nav
留言板
Messages
企业简介
荣誉资质
产品分类
旋涡气泵
2HB单级旋涡气泵
2HB双级旋涡气泵
4HB单级旋涡气泵
4HB双级旋涡气泵
4HB三级旋涡气泵
变频密封型旋涡气泵
防爆防腐蚀漩涡气泵
风机风泵周边配件
透浦式中压风机
CX-透浦式风机
TB-透浦式风机
HTB-透浦式风机
行星减速机
KAB/KABR斜齿行星减速机
KAD/KADR盘式斜齿行星减速机
PE/PF精密行星减速机
产品详情
分享到:
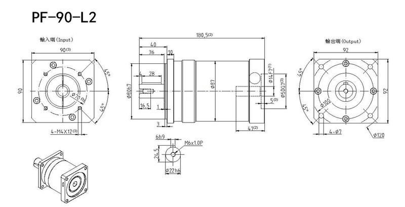
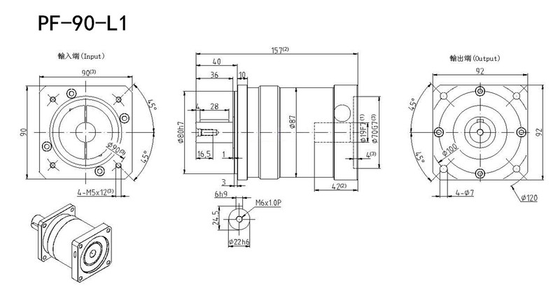
PF90精密行星减速机
产品详情
High pressure fan
专业品质 优良材质
专业漩涡气泵、高压风机,透浦风机供应商
苏州锦诺克机械设备有限公司
手机号码:15895633386
18915731796
18913107191
联系邮箱:875186177@qq.com 联系地址:江苏省苏州市吴中区甪直大道38号