苏州锦诺克机械设备有限公司

专业品质 优良材质  / 专业漩涡气泵、高压风机生产厂家
全国服务热线: 15895633386
     18915731796
产品详情
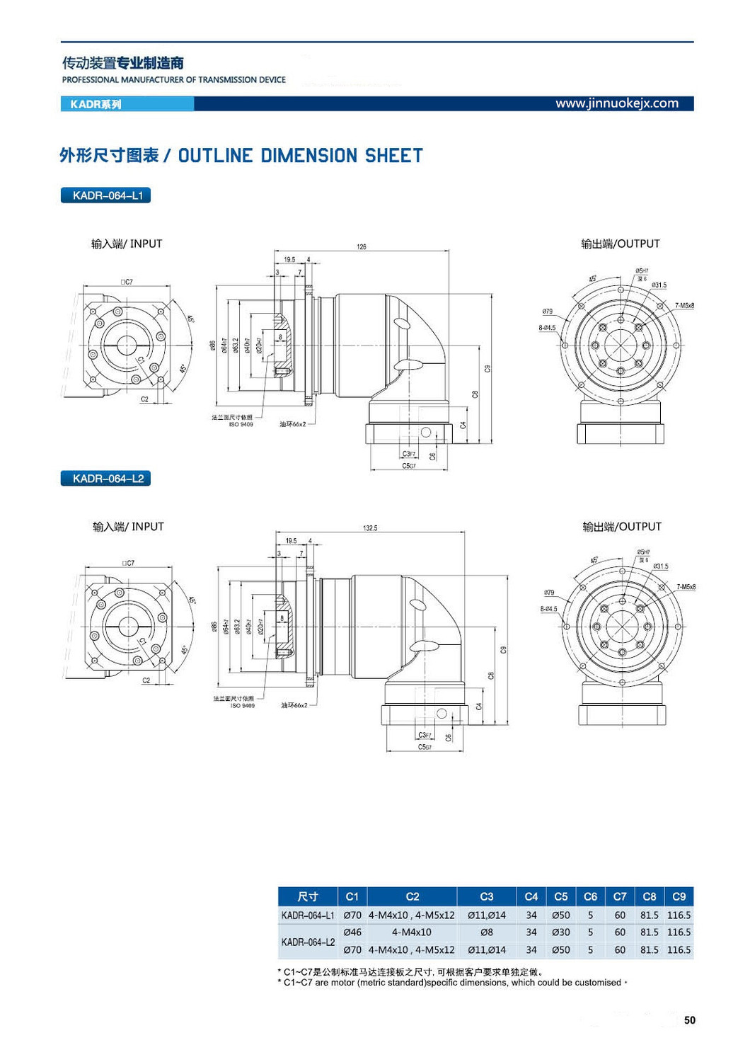
KADR064斜齿精密行星减速机
分享到:

KADR064斜齿精密行星减速机

型号: KADR064
电机功率: 0.2kw-0.4kw
产品详情


  
KADR064斜齿精密行星减速机具有高精度、高剛性、高負載、高效率、高速比、高寿命、低惯性、低振动、低噪音、低温升、外观美、结构轻小、安装方便、精确定位等特点。适用于交流伺服马达、直流伺服马达、步进马达、液压马达的增速与减速传动。

    注:減速機輸入端法蘭尺寸,可依馬達的法蘭面進行特殊定制.

  备注:如因分辨率不同或者其他原因导致字体不清晰,可通过以下方式改善:1、拖拽资料图片,使用鼠标滚轮放大查看;2、将资料图片下载至本地后再进行查看。

High pressure fan
专业品质 优良材质 专业漩涡气泵、高压风机,透浦风机供应商
苏州锦诺克机械设备有限公司
手机号码:15895633386
                18915731796
                18913107191
联系邮箱:875186177@qq.com 联系地址:江苏省苏州市吴中区甪直大道38号