KABR142斜齿精密行星减速机相对于其他类型的减速机,行星式减速机具有结构紧凑、体积小、刚性高、传递扭力大、传动效率高、回程背隙小、传递精度高、噪音低、寿命长等特点。
KABR142-L1 | 單節 |
減速比 |
3 | 4 | 5 | 7 | 8 | 10 |
額定輸出力矩 | Nm | 342 | 520 | 650 | 550 | 500 | 450 |
額定輸入轉速 | Rpm | 3000 |
**輸入轉速 | Rpm | 6000 |
背隙 | Arcmin | 6 |
重量 | KG | 24.5 |
KABR142-L2
| 雙節 |
減速比 |
15 | 20 | 25 | 30 | 35 | 40 | 50 | 70 | 80 | 100 |
額定輸出力矩 | Nm | 342 | 520 | 650 | 600 | 550 | 500 | 650 | 550 | 500 | 450 |
額定輸入轉速 | Rpm | 3000 |
**輸入轉速 | Rpm | 6000 |
背隙 | Arcmin | 9 |
重量 | KG | 27.5 |

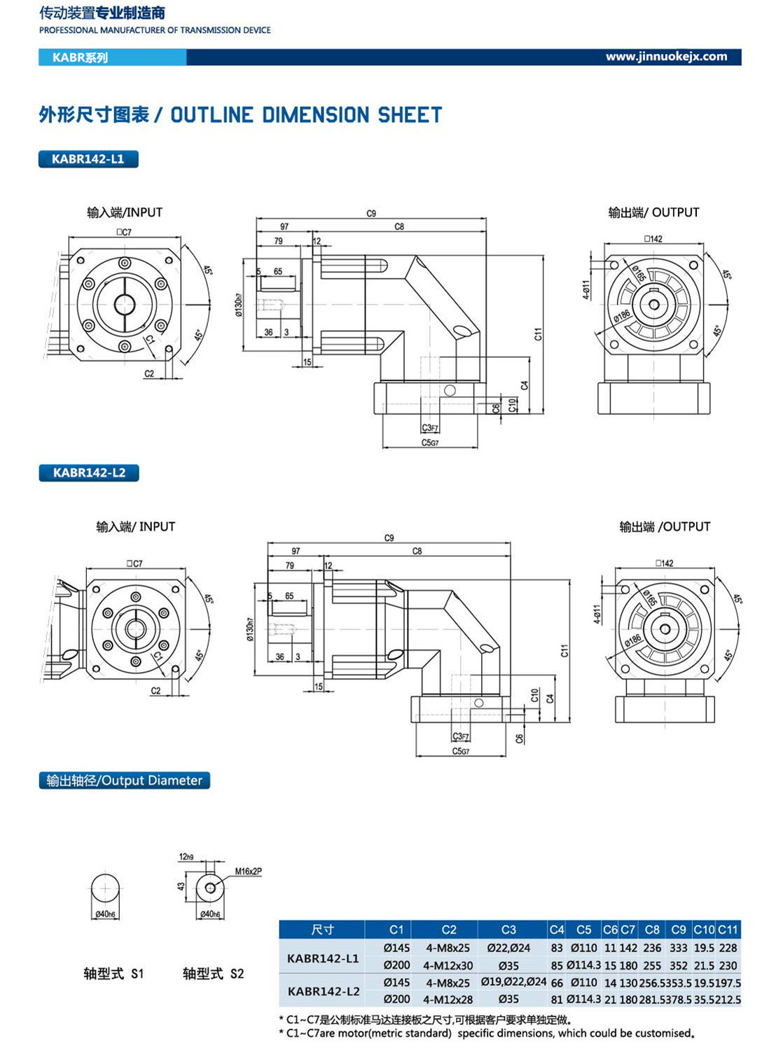
注:減速機輸入端法蘭尺寸,可依馬達的法蘭面進行特殊定制.
备注:如因分辨率不同或者其他原因导致字体不清晰,可通过以下方式改善:1、拖拽资料图片,使用鼠标滚轮放大查看;2、将资料图片下载至本地后再进行查看。